Palms 6S
PALMS 6S ir vienas sijas meža piekabe ar nominālo kravnesību 6 tonnas. Tās vieglā un kompaktā konstrukcija padara to ideāli piemērotu mazākiem traktoriem, ideāli piemērotu privātu mežu uzturēšanai un lauksaimniekiem. PALMS 6S izmanto līdzīgas tehnoloģijas kā mūsu lielākās piekabes, tostarp augstas kvalitātes KTL un pulverkrāsojumu, kas nodrošina ilgāku kalpošanas laiku un lielāku tālākpārdošanas vērtību.
| Iekraušanas laukuma šķērsgriezums | 1.5 m2 |
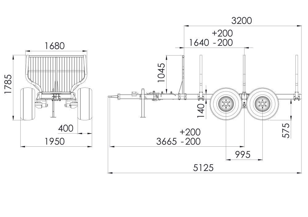
| Iekraušanas laukuma garums | 3000 mm |
| Pilna masa | 8500 kg |
| Pašmasa (bez opcijām) | 890 kg |
| Kopējais garums | 5125 mm |
| Platums ar standarta riteņiem | 1950 mm |
| Standarta riteņu izmērs | 400/60-15.5 |
| Rāmis | 140x140x6 mm |
| Maksimālais celtņa izmērs ar celtspējas momentu | 35 kNm |
| Rāmja tips | Vieglsijas |
| Vieglsijas |


