Jump to Navigation
Traktori
Komunālā tehnika
Meža tehnika
Lauksaimniecībai
Tehnika noliktavā
Kontakti
Jūs atrodaties šeit
Sākums
-
Mežam
-
Meža piekabes
-
Palms
-
8 D
Iepriekšējais produkts
Nākamais produkts
Palms
8 D
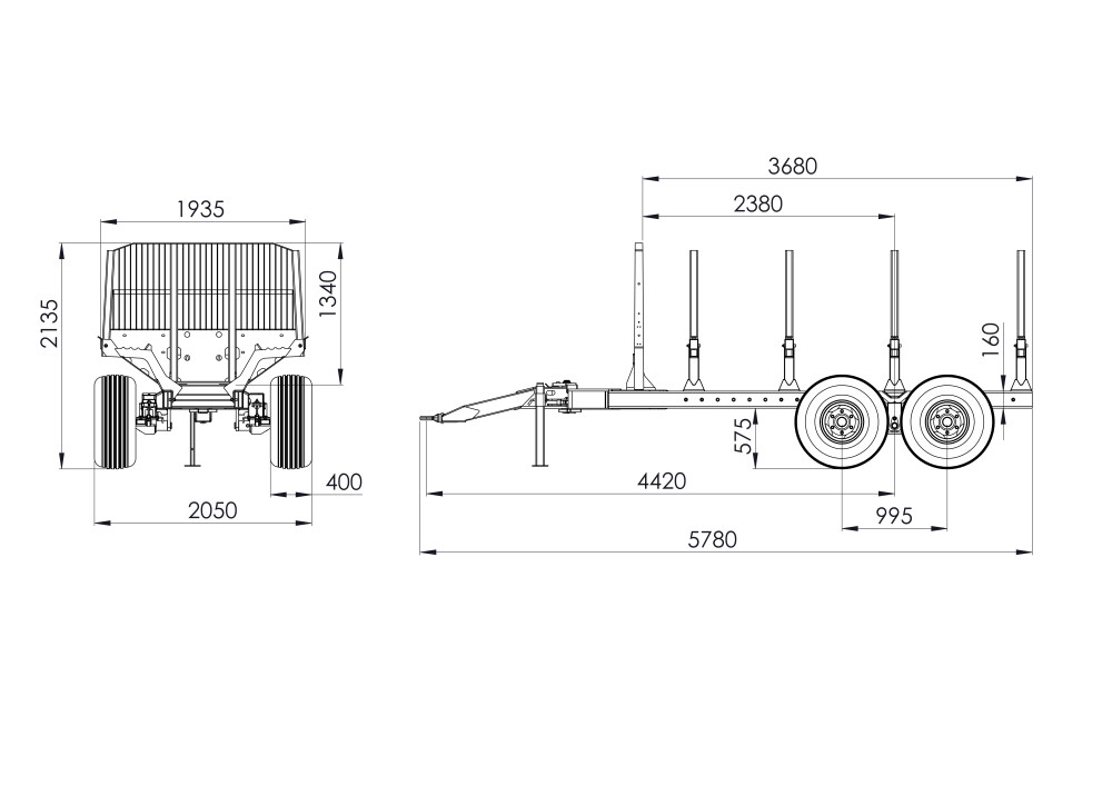
Tehniskie dati
8 D
Kravnesība līdz 40 km/h
8000
Masa (kg)
1510
Iekraušanas laukuma garums (mm)
3975
Riepas
480/45-17
Rāmis (mm)
2x200x100x8
Asis
70x70-6
Iekraušanas laukums (m2)
1.95
Uzstādāmā manipulatora max.griezes moments
26
Copyright © SIA HETA 2014
Izstrādāja